Description
Relais de protection différentielle 30 mA-30 A RH99M
Relais de protection RH99M
VigiPacT RH99M – Réf. 56173
🔧 Fonction
Relais différentiel de protection et de signalisation, utilisé avec un tore (capteur) différentiel externe pour détecter les courants de fuite à la terre et commander une action (alarme, déclenchement disjoncteur, automate, etc.).
⚡ Caractéristiques principales du Relais de protection RH99M
-
Alimentation : 220–240 V AC, 50/60 Hz
-
Sensibilité réglable : 30 mA à 30 A (9 positions)
-
Temporisation :
-
Instantanée à 30 mA
-
Réglable de 0 à 4,5 s (selon le seuil)
-
-
Type de protection : Type A
(détecte AC + DC pulsée) -
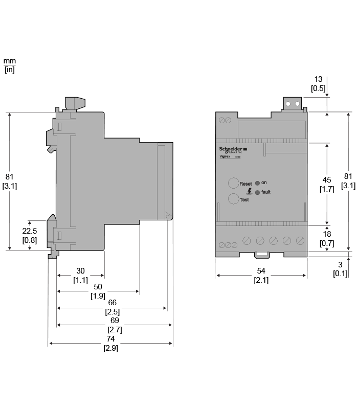
Montage : Rail DIN (6 modules – 54 mm)
-
Réarmement : Manuel
-
Consommation : 4 VA
🔌 Compatibilité capteurs
Fonctionne avec les tores :
-
VigiPacT TOA
-
VigiPacT A
-
VigiPacT L
🌍 Régimes de neutre compatibles
-
TT
-
TN-S
-
IT
🧪 Fonctions intégrées
-
Test local et à distance
-
Surveillance continue :
-
électronique
-
alimentation
-
liaison relais ↔ capteur
-
-
Réglages protégés par cache scellable
📐 Données mécaniques
-
Dimensions : 54 × 81 × 74 mm
-
Poids : 0,3 kg
-
Indice de protection :
-
IP40 face avant
-
IP20 aux bornes
-
🏭 Applications typiques du Relais de protection RH99M
-
Protection différentielle industrielle
-
Détection de défaut d’isolement
-
Protection de départs moteurs ou tableaux
-
Supervision des fuites à la terre avec déclenchement externe
Relais de protection RH99M
Le relais de protection différentielle VigiPacT RH99M (réf. 56173) est une solution fiable et polyvalente pour la détection et la protection contre les courants de fuite à la terre dans les installations basse tension industrielles et tertiaires. Grâce à sa large plage de sensibilité (30 mA à 30 A), sa temporisation réglable, sa compatibilité avec les régimes de neutre TT, TN-S et IT, et son montage sur rail DIN, il garantit une protection efficace des personnes et des équipements tout en assurant une excellente continuité de service. Associé à un capteur différentiel VigiPacT adapté, il répond pleinement aux exigences des normes internationales en vigueur.



Reviews
There are no reviews yet.